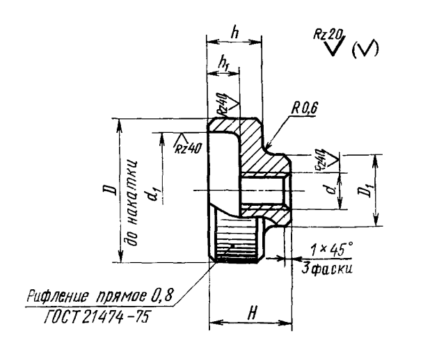
Гайка с накаткой ГОСТ 14726-69

400  ₽,
Екатеринбург | Добавлено: 26 марта 2026, номер: 68486
Гайка с накаткой ГОСТ 14726-69 Екатеринбург - изображение 1
Ирина
Контакты:
Тел.

Адрес: Екатеринбург,

  • Состояние: Новый 
Имеем возможность изготовления гайки с накаткой, предназначенной для станочных приспособлений. Производится данное изделие с диаметром резьбы М5-М12 мм. Материал-сталь марки 45, покрытие хим.окс.прм. Гайка с накаткой применяется в условиях высоких механических нагрузок и обеспечивает надежное соединение деталей. При наличии у вас потребности в данной гайке можете направить запрос на любую электронную почту или оставить заявку на сайте.
Отмена